ピストン式エアーモーターは、シリンダを星形に配置し、4シリンダまたは5シリンダとなっています。
シリンダのピストンはコネクチングロッドによってクランクシャフトに連結され、クランクシャフトに直結したメーンバルブが、エアーを各シリンダに順々に配気してクランクシャフトを回転させる構造です。
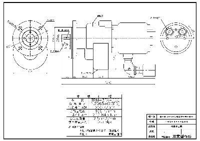
このクランクシャフトによってベアリングプレートから減速して、所要伝動軸回転数を得る事ができます。

(1) 星形に配列された4ないし5シリンダのうち2個は常に動力行程にあり、クランクにデットポイントがないため、回転力にバランスがとれて振動が少なく円滑安定した回転を行います。
(2) バルブの給気口を切り換えることによって、容易に正逆回転が得られます。激しい頻度で正、逆転を繰り返しても問題はありません。
(3) 過負荷状態で放置されても焼損する事がなく、負荷の増加に伴い回転数は低下し、過負荷になれば停止するだけです。負荷が減少すると再び回転します。
(4) 圧縮空気で作動するので、引火爆発性のガスが発生する環境や水がかかってしまう場所で使用しても大丈夫です。
【減速機付エアーモーター】
TPM-1.5-100/TPM-2-100/TPM-3-100/TPM-5-100
TPM-1.5-200/TPM-2-200/TPM-3-200
TM1.5F-600/TM2F-600/TM3F-600/TM5F-600/TM5F-600A
【エアーモーター】
TM-1.5/TM-2/TM-3/TM-5
※製品には主軸がついていません。オプションとしてご指定して下されば製作致します。(寸法は指定して下さい)
各商品、組立図、寸法・出力等はページ下部を参照してください。(ご不明な点は、お問い合わせ下さい。)
※TPM-○○-200につきましては、受注生産となっております。概観はTPM-○○-100/-200は同じです。
ロータリーベーン式エアーモーターは単1のシリンダーに偏心に配置されたローターがエアに吹きつけられて回転する構造です。
ローターの溝にはさまれたベーンは、シリンダーの内壁及びシリンダーカバーにそって空気を膨張させながら流通させローターが回転します。
ロータリーベーン式エアーモーターは0.736kW(1PS)~2.208kW(3PS)の出力を有し、このローターの回転を減速装置によって所要の伝動回転数にすることができます。
【減速機付エアーモーター】
TLM-1L/TLM-1R/TLM-1F/TRM-3FA-200
■TLM-1L(R)の見分け方:マフラー側(主軸と反対側)から見てエアー出入口が左右で判別して下さい。
ピストン式エアーモーターとロータリーベーン式エアモーター各商品の組立図、寸法・出力などの仕様です。ご参考にして下さい。
●1PS=0.7355kW